LY-MT32 là công tơ xoay chiều kiểu điện tử ba pha, sản xuất bởi công ty TNHH Năng lượng và viễn thông Thái Bình Dương.
LY-MT32 độ chính xác & độ ổn định làm việc cao, cấu trúc chắc chắn, độ nhạy tốt, khả năng cảnh báo và chống gian lận
LY-MT32 đáp ứng các tiêu chuẩn IEC
Thông số kỹ thuật chính
• Điện áp danh định (Un): 3x220V/380V
• Dải điện áp hoạt động: 70%Un-130%Un
• Dòng điện danh định: 3x5(100) A
• Tần số: 50Hz ± 0.5Hz
• Tiêu thụ điện năng:
- Mạch áp ≤ 1.5W/8VA
- Mạch dòng ≤ 1VA
• Cấp chính xác: Cấp 1.0 (hữu công), cấp 2.0 (vô công)
• Hằng số xung: 1000 imp/kWh, đèn LED phát xung ở mặt trước công tơ.
• Nguồn cấp: thông qua mạch áp đầu vào.
• Nhiệt độ:
- Nhiệt độ hoạt động: - 25°C ~ +70°C
- Nhiệt độ lưu trữ: - 40°C ~ +70°C
• Độ ẩm tương đối: ≤ 95%
• Cấp bảo vệ: IP54
• Cấp bảo vệ cách điện: 2
Cổng truyền thông
• RS485, optical port.
• Phù hợp tiêu chuẩn IEC 62056-21
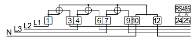
Sơ đồ nối dây

Hỗ trợ giao hàng
Miễn phí giao hàng trong địa bàn TP Hà Nội
Bảo đảm chất lượng
Sản phẩm bảo đảm chất lượng.
Hỗ trợ 24/7
Mr Toi: 0986.326.492
Sản phẩm chính hãng
Sản phẩm nhập khẩu chính hãng